-
KENMORE 1774 SEWING MACHINE MANUAL - STEEL WIRE BOUND - PROTECTIVE COVERS -
KENWOOD TS-450S TS-690S SERVICE MANUAL - HUGE FOLD-OUT PAGES - WIRE BOUND -
KENWOOD TS590 NETWORK COMMAND SETTING MANUAL - WIRE BOUND & TOUGH COVERS -
KUBOTA B1710 B2110 B2410 B2710 Workshop Manual - STEEL WIRE BOUND - TOUGH COVERS -
KUBOTA B21 TL421 BT751 WORKSHOP MANUAL FRONT LOADER BACKHOE WSM, BOUND, FOLDOUTS -
KUBOTA B2401DT B2401DTWO B2401DTN TRACTOR OPERATORS MANUAL - STEEL WIRE BOUND -
KUBOTA B5100D B5100E B6100D B6100E B7100D TRACTOR OPERATORS MANUAL - WIRE BOUND -
KUBOTA BACKHOE BH92 BACKHOE WORKSHOP MANUAL - STEEL WIRE BOUND - TOUGH COVERS -
Kubota BX1850 BX2350 Operators User Manual Owners Instruction Guide Wire-Bound -
KUBOTA KMB KMK KMS180 KM190 Workshop Service Manual - WIRE BOUND, TOUGH COVERS -
KUBOTA L245 L245DT TRACTOR OPERATORS MANUAL, STEEL WIRE BOUND, PROTECTIVE COVERS -
KUBOTA M130X TRACTOR WORKSHOP MANUAL WSM - STEEL WIRE BOUND - PROTECTIVE COVERS -
KUBOTA M5071N M5091N M5101N WORKSHOP MANUAL - WIRE BOUND & TOUGH COVERS -
KUBOTA M5640SU WORKSHOP MANUAL WSM - STEEL WIRE BOUND - PROTECTIVE COVERS -
KUBOTA M8-181 M8-201 KVT OPERATORS MANUAL 642PG- STEEL WIRE BOUND - TOUGH COVERS -
KUBOTA MX5000 WORKSHOP MANUAL WSM - WIRE BOUND - TOUGH COVERS - XL FOLDOUT PAGES -
KUBOTA R540 WHEEL LOADER OPERATORS MANUAL - STEEL WIRE BOUND - PROTECTIVE COVERS -
KUBOTA ROPS CAB L3240 L3540 L4240 L5240 L5740 Operators Manual - WIRE BOUND -
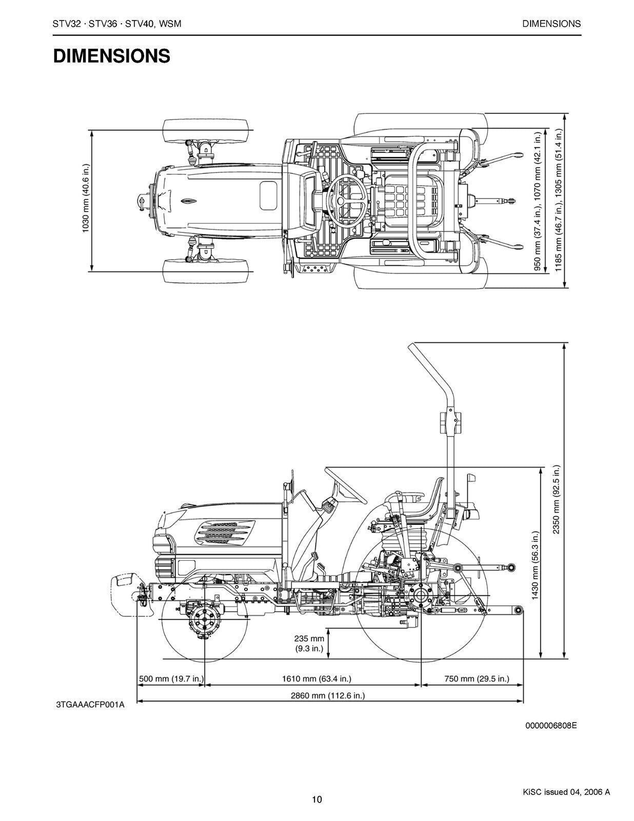
KUBOTA STV32 STV36 STV40 WORKSHOP MANUAL - STEEL WIRE BOUND - PROTECTIVE COVERS -
KUBOTA TRACTOR BX1850 BX2350 WORKSHOP MANUAL - BOUND - COVERS - XL FOLDOUT PAGES -
KUBOTA U10 U20 U35 U45 EXCAVATOR WORKSHOP MANUAL - WIRE BOUND - TOUGH COVERS -
KUBOTA U17 U17-3 EXCAVATOR SERVICE MANUAL - WIRE BOUND - TOUGH COVERS - FOLDOUTS -
KUBOTA U17-3 EXCAVATOR OPERATORS MANUAL - STEEL WIRE BOUND - PROTECTIVE COVERS -
Kubota V3307-DI-T-E3B V3007 V2607 Repair Manual Workshop Manual WSM - WIRE BOUND