-
KUBOTA B3200 TRACTOR WORKSHOP MANUAL TRACTOR OPERATORS GUIDE - STEEL WIRE BOUND -
KUBOTA B2410 B2710 B2910 B7800 HSD TRACTOR WORKSHOP MANUAL - STEEL WIRE BOUND -
KUBOTA RTV1140CPX CPXR 2015 Illustrated Parts Manual - WIRE BOUND - TOUGH COVERS -
KUBOTA RTV1140CPX Workshop Manual - BOUND - COVERS - XL FOLDOUT PAGES -
TAKEUCHI TB280FR EXCAVATOR OPERATORS MANUAL - STEEL WIRE BOUND - TOUGH COVERS -
TAKEUCHI TB-216 Mini Excavator Workshop Manual - BOUND - COVERS - XL FOLDOUTS -
KUBOTA B2050 B2350 B2650 B3150 WORKSHOP MANUAL - BOUND - COVERS - XL FOLDOUTS -
KUBOTA U50-5S EXCAVATOR WORKSHOP MANUAL - BOUND - COVERS - XL FOLDOUT PAGES -
KUBOTA U15-3 Excavator Workshop Manual - BOUND - COVERS - XL FOLDOUT PAGES -
BOBCAT 763 High Flow Skid Steer Loader SERVICE MANUAL, BOUND, COVERS, FOLDOUTS -
KUBOTA V3307-CR-TE4 Common Rail System Diagnosis Manual - WIRE BOUND - COVERS -
KUBOTA SVL75-2 Compact Track Loader Workshop Manual - BOUND - COVERS - FOLDOUTS -
BOBCAT T550 Compact Track Loader 2019 Service Manual SN AJZV11001 Up, FOLDOUTS -
BOBCAT E35 Compact Excavator Service Manual SN A93K11001 and Up, FOLDOUTS -
KUBOTA L2501 WORKSHOP MANUAL FOR SERVICE, REPAIR - WIRE BOUND, PROTECTIVE COVERS -
BOBCAT E20 Compact Excavator SN AWRH1101 and Up Service Manual, FOLDOUTS -
KUBOTA LX2610 LX2610SU LX3310 WORKSHOP MANUAL - BOUND - COVERS - XL FOLDOUTS -
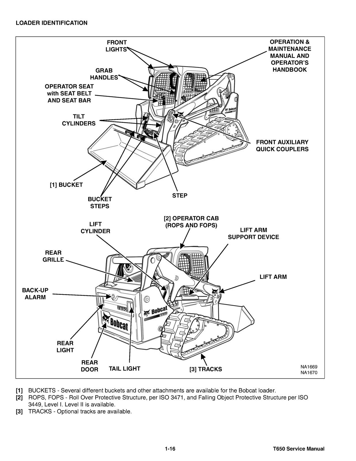
BOBCAT T650 COMPACT TRACK LOADER SN A3P011001 UP SERVICE MANUAL, FOLDOUTS -
BOBCAT S570 SN ALM411001 and up Service Manual - BOUND - COVERS - XL FOLDOUTS -
BOBCAT S130 Skid Steer Loader SN 529211001 and Up - BOUND - COVERS - XL FOLDOUTS -
BOBCAT S130 Loader SN 524611001 and up Service Manual, BOUND, COVERS, FOLDOUTS -
BOBCAT S79 Skid-Steer Loader SN A3W711001 and Up Service Manual, FOLDOUT PAGES -
KUBOTA RTV X1140 BUNDLE: Workshop Manual, Operators & Enclosure Owners Manual! -
BOBCAT S185 Skid-Steer Loader Service Manual SN 530360001 and Up, FOLDOUTS