-
SINGER 431 431G Sewing Machine User Manual - STEEL WIRE BOUND - TOUGH COVERS -
SINGER 401 SLANT-O-MATIC SEWING MACHINE User Manual Instructions - Wire Binding -
SINGER 337 SEWINGING MACHINE MANUAL - WIRE BOUND - TOUGH COVERS -
SINGER 3342 Sewing Machine Fashion Mate User Manual Owners Instruction Guide -
SINGER 3321 TALENT Sewing Machine User Manual Owners Guide [WIRE BOUND UPGRADE] -
SINGER 3221-3232-SIMPLE Sewing Machine User Manual Instruction Book -
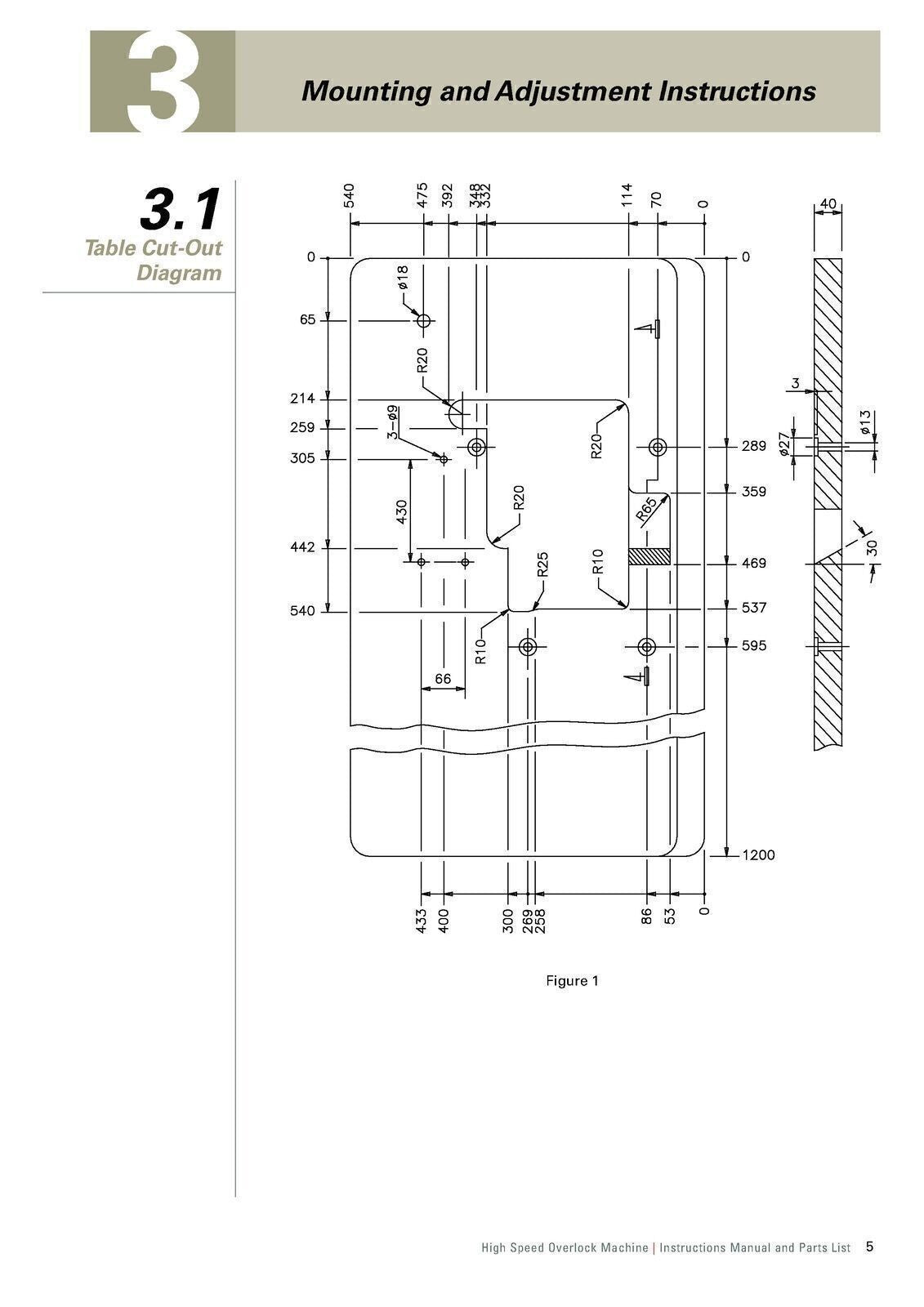
SINGER 321C High Speed Overlock Machine User Manual Guide [DURABLE WIRE BINDING] -
SINGER 3210 Sewing Machine User Manual Operation Guide [WIRE BOUND UPGRADE] -
SINGER 306K 306W Sewing Machine Manual - STEEL WIRE BOUND - TOUGH COVERS -
SINGER 301 Sewing Machine User Instruction Manual: FULL COLOR & STEEL WIRE BOUND -
SINGER 301 Sewing Machine Owners AND Adjusters Manual BUNDLE: STEEL WIRE BOUND -
SINGER 29-4 Instruction & Parts Diagram Manual BUNDLE: WIRE BOUND - TOUGH COVERS -
SINGER 2808 Instruction Book User Manual Owners Instruction [WIRE BOUND UPGRADE] -
SINGER 239 Fashion Mate Sewing Machine User Manual Guide - TOUGH WIRE BINDING -
SINGER 2282 Sewing Machine User Manual Operation Guide -
SINGER 2277 Sewing Machine Instruction Manual in ENGLISH - WIRE BOUND - COVERS -
SINGER 2273 Sewing Machine User Manual Instruction Book -
SINGER 221 Sewing Machine SERVICE MANUAL (NOT Instruction Manual) BOUND & COVERS -
SINGER 221-1 Featherweight Sewing Machine User Manual - STEEL WIRE BOUND -
SINGER 20U- 109 109C 112 112C 309 Sewing Machine User Manual DURABLE WIRE BOUND -
SINGER 20 Adjusters Manual - BOUND - COVERS - XL FOLDOUT PAGES -
SINGER 206 306 319 401 Service User Manual Operation Guide - Steel Wire Bound -
SINGER 201 Sewing Machine User Manual Operation Guide - TOUGH WIRE BINDING -
SINGER 201-1 201-2 201-3 201-4 1200-1 ADJUSTERS Manual - TOUGH WIRE BINDING