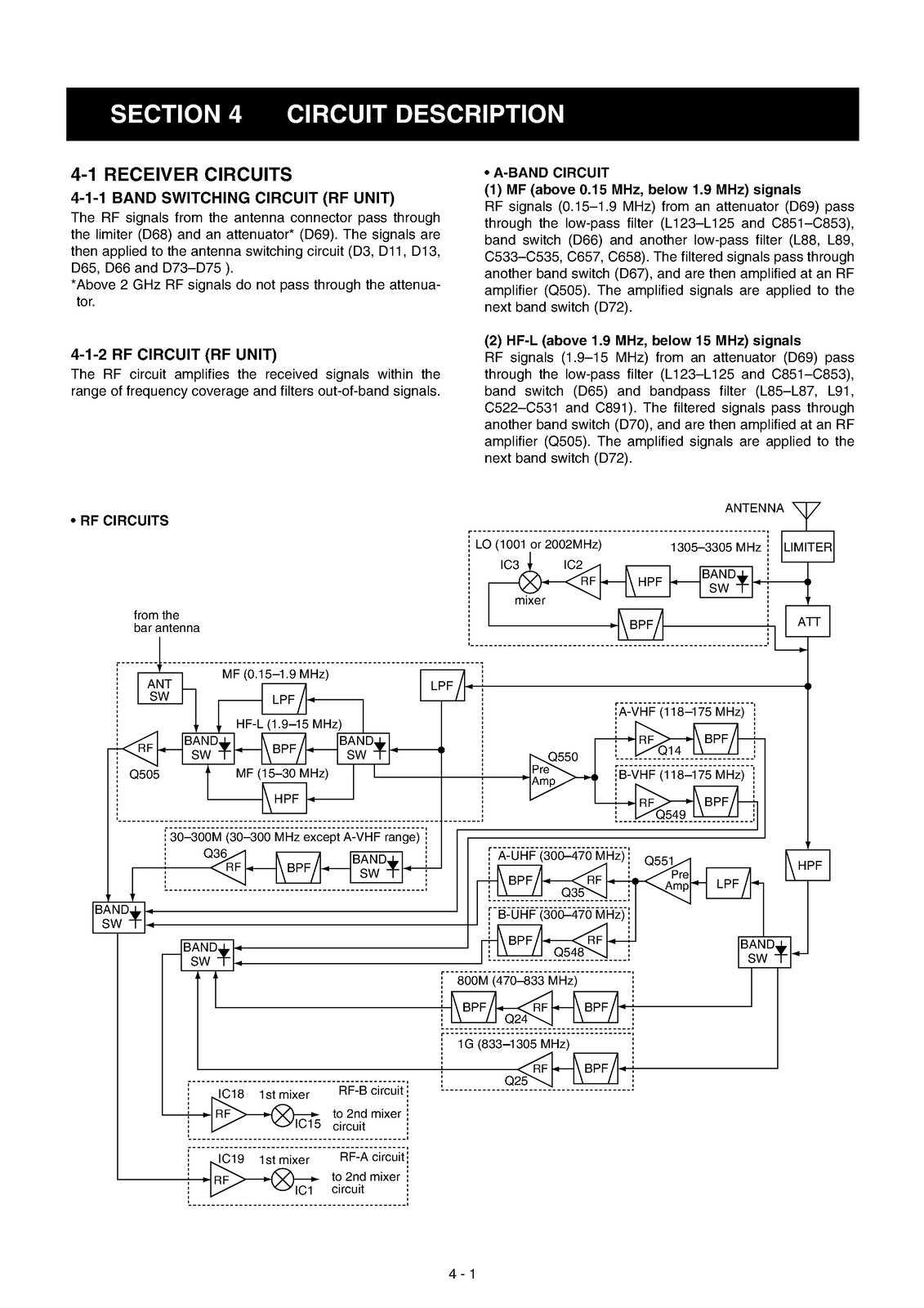
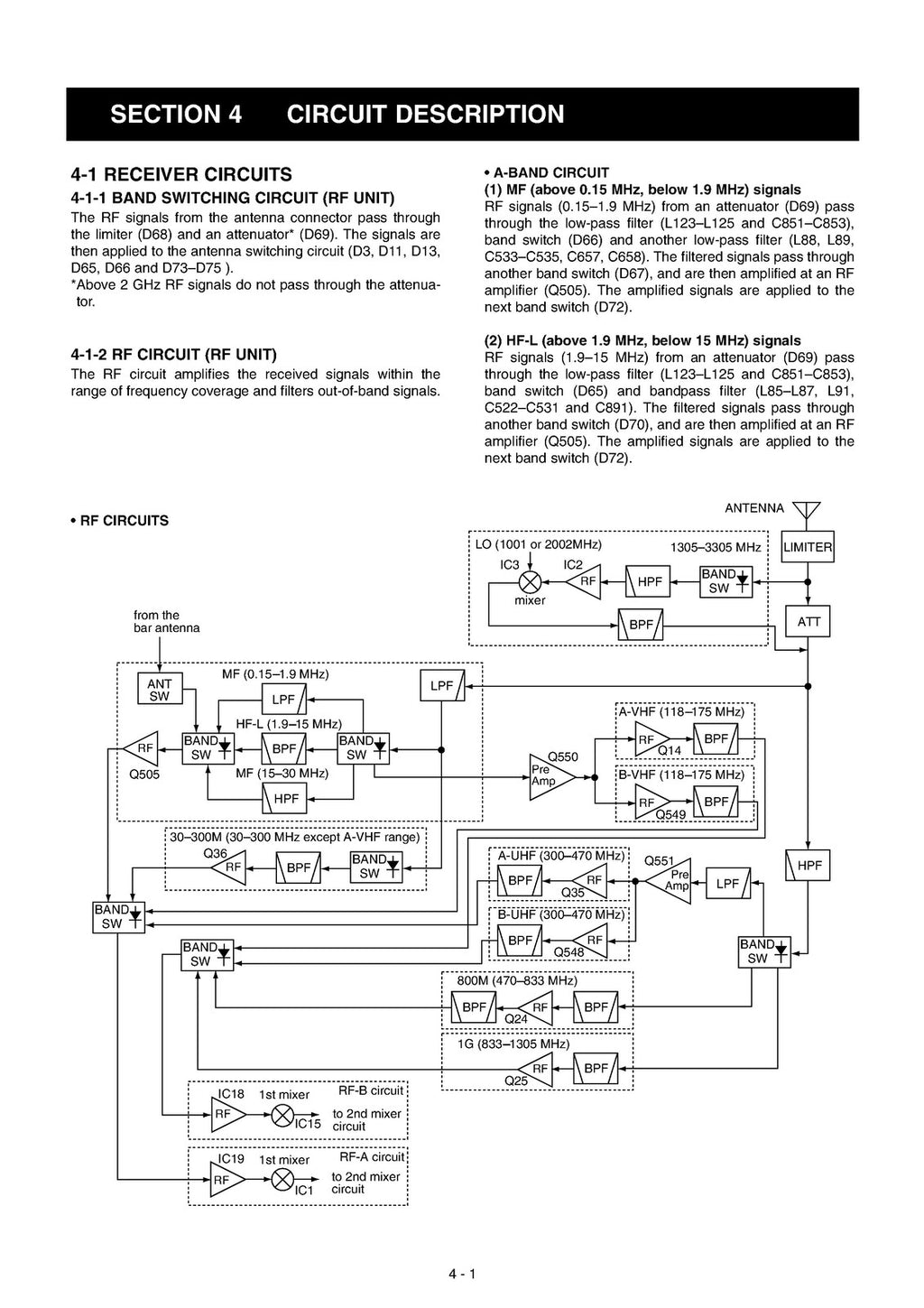
ICOM IC-R20 Communications Receiver SERVICE Manual - WIRE BOUND - TOUGH COVERS
✅ LIFETIME METAL WIRE-LOCK Binding — Forget flimsy plastic spiral or comb spines; our METAL WIRE-LOCK
binding lets pages lay flat, fold back, and stay put. No flopping around, no cracking, just pure durability. 🦾✅ Professional 70 Page Reprint: High-quality laser copy from the original manufacturer.
✅ Stay-Brite White Paper: 97 bright, 24lb, acid-free 8.5x11'' paper that stays white and won’t yellow.
✅ Splash-Proof Clear PVC Cover: Keeping your manual clean, crisp, and protected.
✅ Sturdy Thick PVC Back Cover: Adds a solid, premium feel to every flip.
🚚 SHIPPING OPTIONS AT CHECKOUT:
📦 SHIPS FREE (3 to 8 business days)
âš¡ GET-IT-FAAAAST UPGRADE @ CHECKOUT: USPS Priority for just $5.99 (Usually 1 to 2 business days).
🛡 BUY WITH CONFIDENCE:
Return/Refund: Encounter a problem? No worries—message us for a hassle-free return. We’re here to make sure you’re thrilled with your purchase.
📜 NEED A DIFFERENT MANUAL? JUST ASK! We’ll put it together quickly and professionally for you.
See the AnyManual Store for more manuals or reach out to us for ANY manual you need. You’ve got questions? We’ve got manuals.